
By
3024x4032 7ef641e0c195276518792e88303ec1171db72f65e4d5ff84 - putmega - noirot.ne

By
Pralka Polar PDP 800: przegrzewanie modułu Minisel 800 65dx-65sx-45dx i topienie

By
Прошивки MNT - Страница 79

By
55NANO866PA.HPDYLWK 66306505 EAX69462005 U 12A LJ21 https://www.lgservisistanbu

By
DVBSHD: Stream System BM-3267

By
Контент ViviD - Форум автомастеров carmasters.org

By
Main BN41-00974B BN94-01656B LE40A557P2F - Ваш ТВ-сервис Санкт-Петербург

By
DUMP DVR PANDA 8708AHDVR-1080N 8CH (AHB7808R-MS-ZS V1.03) (7808-MS-V3 2017041000

By
17MB95 (17MB95) MAIN PCB FOR TOSHIBA VESTEL 40L3453DB

By
Opel Astra H MT35E 2.3 - OPEL Диагностика и ремонт - Автомобильный Портал oktja.

By
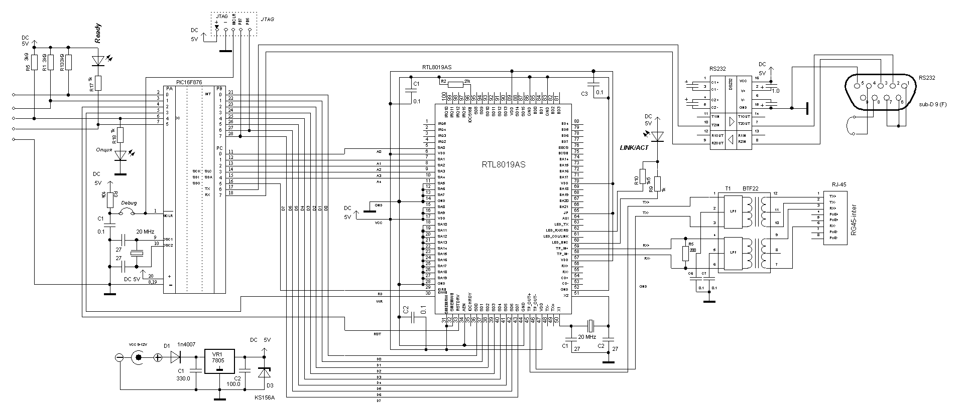
Форум РадиоКот :: Просмотр темы - Проброс COM-порта через LAN/интернет

By
Отхлебнул полный привод - Great Wall Sailor, 2,2 л, 2010 года поломка DRIVE2

By
MODUŁ BCM RENAULT CLIO IV ORYGINAŁ 284B12879R Oryginalne części serwisowe do sam

By
Прошивки LCD/PDP TV - BBK - Страница 10

By
Ремонт электронных блоков управления ЭБУ в Астане - КлючСервис

By
замена штатных радаров Bliss на рестайл с системой CTA - Ford Kuga (2G), 2 л, 20

By
Прошивки для универсальной китайской МР5 2Din магнитолы 7010B/18/23/35/ - DRIVE2

By
SITRAK C7H - расположение предохранителей

By
2208x2944 e991720a62758e27708c68beb848fb3a2208x2944 -2208x2944 putmega2208x2944 (עברית)2208x2944 Stream2208x2944 System2208x2944 BM-32672208x2944 2208x2944 img_7488-scaled2208x2944 2208x2944 270454209924.2208x2944 Фото2208x2944 в2208x2944 бортжурнале2208x2944 Great2208x2944 Wall2208x2944 Sailor.2208x2944